貝特機械-大型腳輪生產廠家
30年專業從事重型腳輪等產品的生產和銷售
全國咨詢熱線: 13907327869



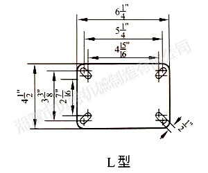
| 輪徑 (英寸) | 輪寬 (英寸) | 車輪材料 | 載重 (磅) | 軸承類型 | 總高度 (英寸) | 偏轉半徑 (英寸) | 腳輪代號 | |
| 旋轉 | 固定 | |||||||
| 6 | 2 | 鐵芯橡膠 | 1200 | 球軸承 | 8 | 4 7/16 | EXMR62S | EXMR62R |
| EXMR62SL | EXMR62RL | |||||||
| 鐵芯聚氨酯 | 1200 | EXPU62S | EXPU62R | |||||
| EXPU62SL | EXPU62RL | |||||||
| 酚醛 | 1200 | EXPH62S | EXPH62R | |||||
| EXPH62SL | EXPH62RL | |||||||
| 8 | 2 | 鐵芯橡膠 | 1200 | 球軸承 | 10 | 5 7/8 | EXMR82S | EXMR82R |
| EXMR82SL | EXMR82RL | |||||||
| 鐵芯聚氨酯 | 1200 | EXPU82S | EXPU82R | |||||
| EXPU82SL | EXPU82RL | |||||||
| 酚醛 | 1200 | EXPH82S | EXPH82R | |||||
| EXPH82SL | EXPH82RL | |||||||
| 2 1/2 | 鐵芯橡膠 | 1500 | EXMR825S | EXMR82R | ||||
| EXMR825SL | EXMR82RL | |||||||
| 鐵芯聚氨酯 | 1500 | EXPU825S | EXPU825R | |||||
| EXPU825SL | EXPU825RL | |||||||
| 酚醛 | 1500 | EXPH825S | EXPH825R | |||||
| EXPH825SL | EXPH825RL | |||||||
| 10 | 2 | 鐵芯橡膠 | 1200 | 球軸承 | 12 | 7 1/4 | EXMR102S | EXMR102R |
| EXMR102SL | EXMR102RL | |||||||
| 鐵芯聚氨酯 | 1200 | EXPU102S | EXPU102R | |||||
| EXPU102SL | EXPU102RL | |||||||
| 酚醛 | 1200 | EXPH102S | EXPH102R | |||||
| EXPH102SL | EXPH102RL | |||||||
| 2 1/2 | 鐵芯橡膠 | 1500 | EXMR1025S | EXMR1025R | ||||
| EXMR1025SL | EXMR1025RL | |||||||
| 鐵芯聚氨酯 | 1500 | EXPU1025S | EXPU1025R | |||||
| EXPU1025SL | EXPU1025RL | |||||||
| 酚醛 | 1500 | EXPH1025S | EXPH1025R | |||||
| EXPH1025SL | EXPH1025RL | |||||||
| 12 | 2 1/2 | 鐵芯橡膠 | 1500 | 球軸承 | 14 | 8 11/16 | EXMR1225S | EXMR1225R |
| EXMR1225SL | EXMR1225RL | |||||||
| 鐵芯聚氨酯 | 1500 | EXPU1225S | EXPU1225R | |||||
| EXPU1225SL | EXPU1225RL | |||||||
| 酚醛 | 1500 | EXPH1225S | EXPH1225R | |||||
| EXPH1225SL | EXPH1225RL | |||||||